С 30-20-3

Чертеж изделия:
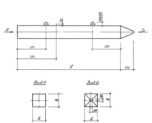
Характеристики изделия:
ПараметрЗначение
длина3000 мм
ширина200 мм
высота200 мм
масса325 кг
нормативный документГОСТ 19804-2012

С 30-20-3 Сваи цельные сплошного квадратного сечения по ГОСТ 19804-2012.