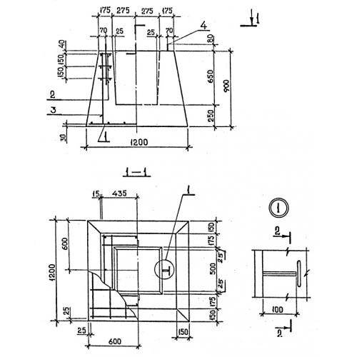
1Ф 12.8 фундаменты под колонны

Чертеж изделия:
Характеристики изделия:
ПараметрЗначение
длина1200 мм
ширина1200 мм
высота750 мм
масса1900 кг
нормативный документГОСТ 24476-80

1Ф 12.8 Фундаменты сборные для колонн ГОСТ 24476-80.