САМ 15

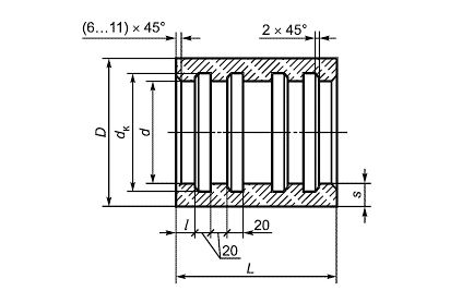
Чертеж изделия:
Характеристики изделия:
ПараметрЗначение
длина160 мм
ширина658 мм
высота658 мм
масса36 кг
нормативный документГОСТ 31416-2009

 САМ 15   Асбоцементные муфты для напорных трубопроводов ГОСТ 31416-2009.