ТМ 3

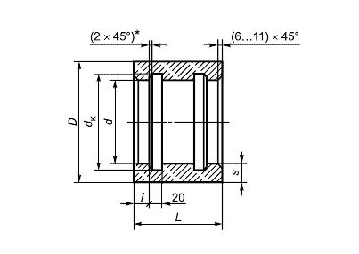
Чертеж изделия:
Характеристики изделия:
ПараметрЗначение
длина220 мм
ширина219 мм
высота219 мм
масса4,9 кг
нормативный документГОСТ 31416-2009

ТМ 3   Муфты хризотилцементные для напорных теплопроводов ГОСТ 31416-2009.