БФ 1

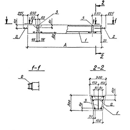
Чертеж изделия:
Характеристики изделия:
ПараметрЗначение
длина4250 мм
ширина300 мм
высота300 мм
вес750 кг
серия0-221-84

БФ1 Балки фундаментные по серии 0-221-84.