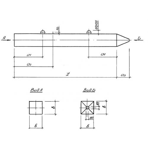
С 9-30
Характеристики изделия:
| Параметр | Значение |
|---|---|
| длина | 9000 мм |
| ширина | 300 мм |
| высота | 300 мм |
| масса | 2050 кг |
| нормативный документ | Серия 1.011-1 |
Цена:
Рассчитать стоимостьС 9-30 Сваи цельные сплошного квадратного сечения с ненапрягаемой арматурой, нетрещиностойкие (Серия 1.011-1).
