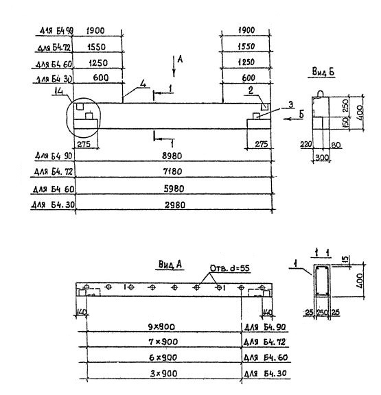
Б 4.60
Характеристики изделия:
| Параметр | Значение |
|---|---|
| длина | 5980 мм |
| ширина | 300 мм |
| высота | 400 мм |
| масса | 1800 кг |
| нормативный документ | Серия 1.020.1-2с/89 |
Цена:
Рассчитать стоимостьБ 4.60 Балки окаймляющие Серия 1.020.1-2с/89.
| Параметр | Значение |
|---|---|
| длина | 5980 мм |
| ширина | 300 мм |
| высота | 400 мм |
| масса | 1800 кг |
| нормативный документ | Серия 1.020.1-2с/89 |
Б 4.60 Балки окаймляющие Серия 1.020.1-2с/89.