Д 12.32
Характеристики изделия:
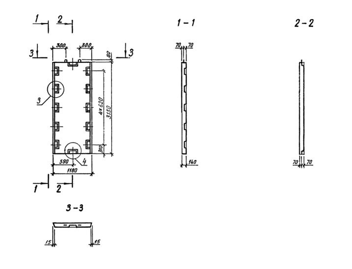
| Параметр | Значение |
|---|---|
| длина | 1180 мм |
| ширина | 140 мм |
| высота | 3150 мм |
| масса | 1300 кг |
| нормативный документ | Серия 1.020.1-3пв |
Цена:
Рассчитать стоимостьД 12.32 Диафрагмы жесткости Серия 1.020.1-3пв.
| Параметр | Значение |
|---|---|
| длина | 1180 мм |
| ширина | 140 мм |
| высота | 3150 мм |
| масса | 1300 кг |
| нормативный документ | Серия 1.020.1-3пв |
Д 12.32 Диафрагмы жесткости Серия 1.020.1-3пв.