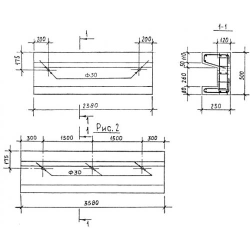
1ПШ 36 перемычки для деформационных швов

Чертеж изделия:
Характеристики изделия:
ПараметрЗначение
длина3580 мм
ширина250 мм
высота500 мм
масса788 кг
нормативный документСерия 1.038.1-1

1ПШ 36   Перемычки для деформационных швов Серия 1.038.1-1.