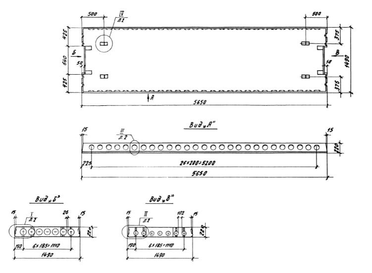
ПК 56.15 плиты связевые межколонные

Чертеж изделия:
Характеристики изделия:
ПараметрЗначение
длина5650 мм
ширина1490 мм
высота220 мм
масса2600 кг
нормативный документСерия 1.041.1-3

ПК 56.15  Плиты связевые (межколонные) Серия 1.041.1-3.