ПШЛ 100-33

Чертеж изделия:
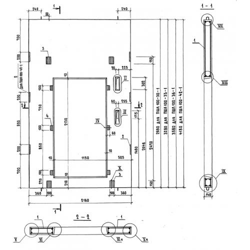
Характеристики изделия:
ПараметрЗначение
длина2160 мм
ширина140 мм
высота3280 мм
вес1600 кг
серия1.089.1-2

ПШЛ 100-33 Панель шахты для пассажирского лифта по серии 1.089.1-2.