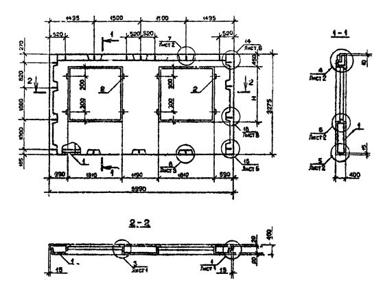
3ПСО 60.33.4-П-С
Характеристики изделия:
| Параметр | Значение |
|---|---|
| длина | 5990 мм |
| ширина | 3275 мм |
| высота | 3275 мм |
| масса | 5050 кг |
| нормативный документ | Серия 1.090.1-2с |
Цена:
Рассчитать стоимостьПанели наружных стен однослойные для зданий с высотой этажа 3,3 м (Серия 1.090.1-2с).
3ПСО 60.33.4-1П-С Панели стеновые с оконным проемом .
3ПСО 60.33.4-2П-С
1...9 - в панелях с дверными и окнными проемами - отличие в размерах и расположении проема, отличие в типах или расположении вертикальных торцов панели (зеркальность);
- в панелях без проемов - отличие в типах или расположении вертикальных торцов панели (зеркальность).
1..2 (вторая группа цифр) - унифицированная нагрузка.
П- бетон на пористых заполнителях,
С- для строительства в сейсмических районах.