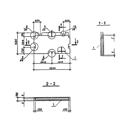
ПВ 28.16-1Т-С

Чертеж изделия:
Характеристики изделия:
ПараметрЗначение
длина2820 мм
ширина160 мм
высота1625 мм
масса1600 кг
нормативный документСерия 1.090.1-2с

ПВ 28.16-1Т-С  Панели внутренние без проемов (Серия 1.090.1-2с).

1Т - бетон  тяжелый марки М150.

С - для сейсмических районов.