3 ОСП 40

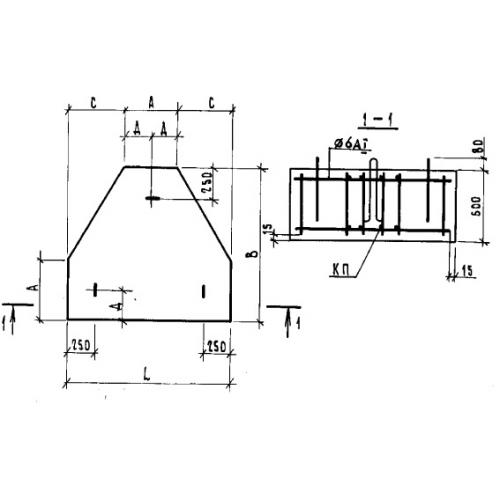
Чертеж изделия:
Характеристики изделия:
ПараметрЗначение
длина1800 мм
ширина1700 мм
высота600 мм
вес3780 кг
серия1.111.1-4.

3ОСП 40 Оголовки свайные с платформенным сопряжением по серии 1.111.1-4.