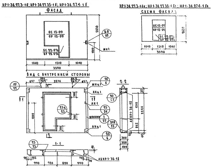
НР1-36.27.4-1бл

Чертеж изделия:
Характеристики изделия:
ПараметрЗначение
Длина3590 мм
Ширина400 мм
Высота2650 мм
Масса3755 кг
Нормативный документСерия 1.132-1

НР1-36.27.4-1бл   Наружная стеновая панель рядовая по Серии 1.132-1.