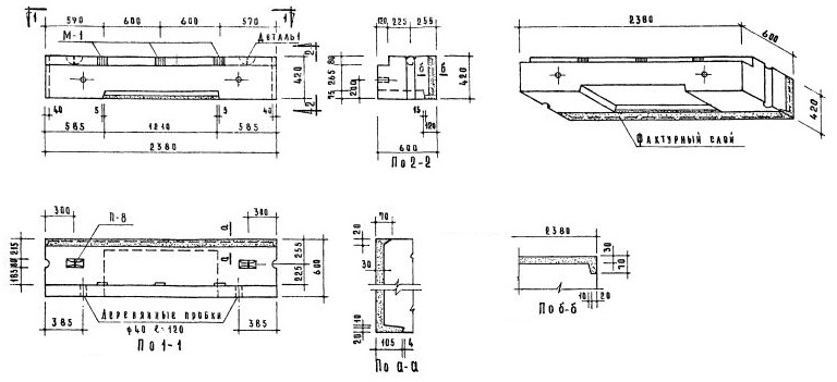
НБ-24.4.6П
Характеристики изделия:
| Параметр | Значение |
|---|---|
| Длина | 2380 мм |
| Ширина | 600 мм |
| Высота | 420 мм |
| Масса | 1080 кг |
| Нормативный документ | Серия 1.133-1 |
Цена:
Рассчитать стоимостьСтеновые легкобетонные блоки толщиной 60 см по Серии 1.133-1.
НБ-24.4.6П Перемычечный блок.