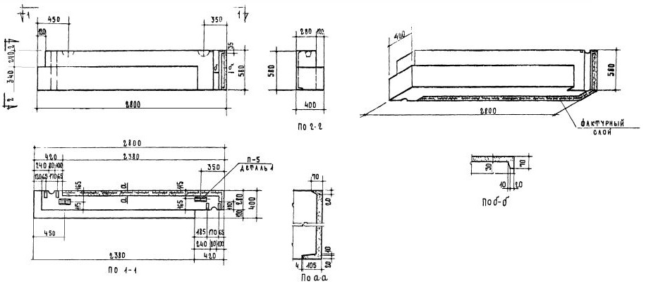
НБУ-28.6.4л

Чертеж изделия:
Характеристики изделия:
ПараметрЗначение
Длина2800 мм
Ширина400 мм
Высота580 мм
Масса1065 кг
Нормативный документСерия 1.133-1

Стеновые легкобетонные блоки толщиной 40 см по Серии 1.133-1.

НБУ-28.6.4л  Поясной блок угловой.