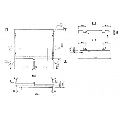
ЛП-24.18

Чертеж изделия:
Характеристики изделия:
ПараметрЗначение
длина2380 мм
ширина1900 мм
высота320 мм
вес2280 кг
серия1.152-7

ЛП-24.18 Лестничные площадки ребристые по серии 1.152-7.