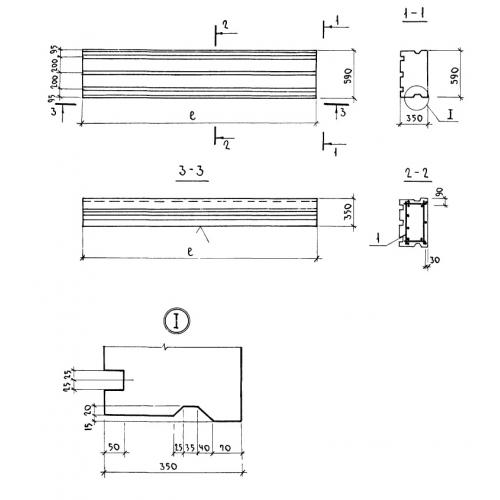
ПВ 45.6.35

Чертеж изделия:
Характеристики изделия:
ПараметрЗначение
длина4470 мм
ширина590 мм
высота350 мм
вес640 кг
серия1.165.1-10

ПВ 45.6.35 Вентилируемые панели покрытия по серии 1.165.1-10.