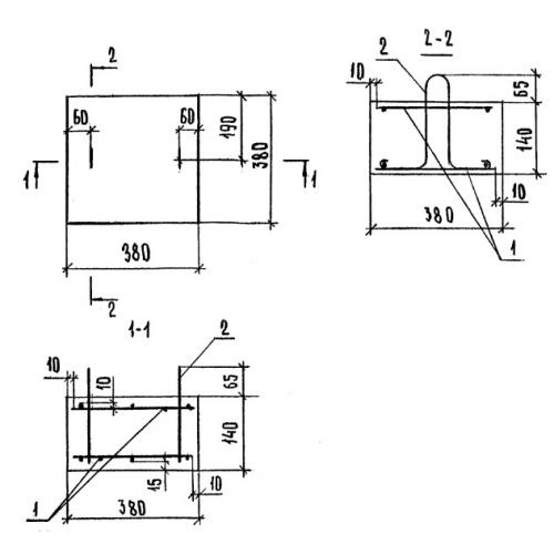
ОП 4-4 опорные плиты прогонов

Чертеж изделия:
Характеристики изделия:
ПараметрЗначение
длина380 мм
ширина380 мм
высота140 мм
масса50 кг
нормативный документСерия 1.225-2

ОП 4-4  Плиты опорные Серия 1.225-2.