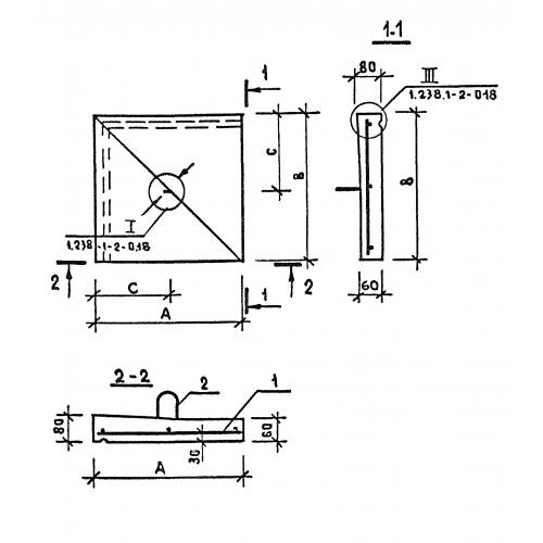
ППУ 4.4 плиты парапетные угловые

Чертеж изделия:
Характеристики изделия:
ПараметрЗначение
длина420 мм
ширина420 мм
высота80 мм
масса30 кг
нормативный документСерия 1.238.1-2

ППУ 4.4  Плиты парапетные угловые Серия 1.238.1-2.