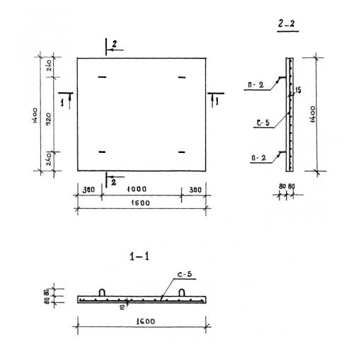
ПТП 16.14

Чертеж изделия:
Характеристики изделия:
ПараметрЗначение
длина1600 мм
ширина1400 мм
высота80 мм
вес448 кг
серия1.243-2

ПТП 16.14 Плиты плоские по серии 1.243-2.