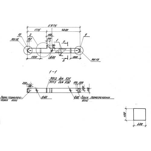
К 31 колонны

Чертеж изделия:
Характеристики изделия:
ПараметрЗначение
длина5975 мм
ширина400 мм
высота400 мм
масса2450 кг
нормативный документСерия 1.420-35.95

К 31 Колонны Серия 1.420-35.95.