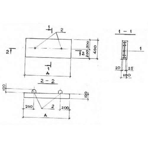
ПП 2

Чертеж изделия:
Характеристики изделия:
ПараметрЗначение
длина790 мм
ширина400 мм
высота100 мм
вес80 кг
серия3.006-2

ПП 2 Плиты перекрытия лотков по серии 3.006-2.