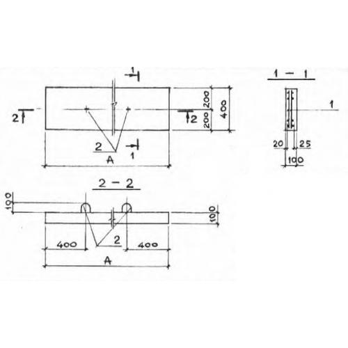
ПП 6

Чертеж изделия:
Характеристики изделия:
ПараметрЗначение
длина2060 мм
ширина400 мм
высота100 мм
вес200 кг
серия3.006-2

ПП 6 Плиты перекрытия лотков по серии 3.006-2.