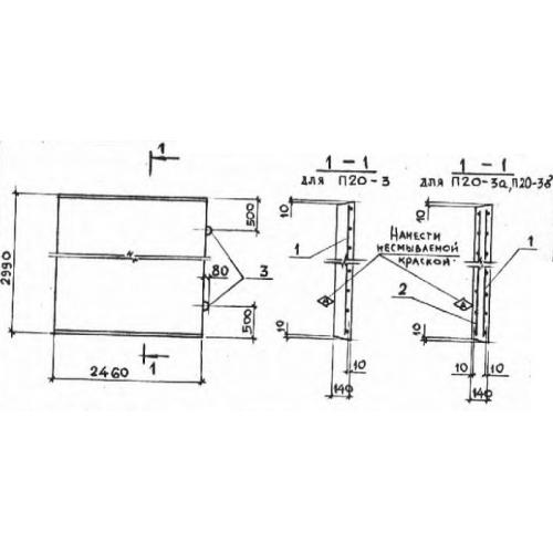
П 20
Характеристики изделия:
| Параметр | Значение |
|---|---|
| длина | 2990 мм |
| ширина | 2460 мм |
| высота | 140 мм |
| вес | 2570 кг |
| серия | 3.006-2 |
Цена:
Рассчитать стоимостьП 20 Плиты перекрытия лотков по серии 3.006-2.
| Параметр | Значение |
|---|---|
| длина | 2990 мм |
| ширина | 2460 мм |
| высота | 140 мм |
| вес | 2570 кг |
| серия | 3.006-2 |
П 20 Плиты перекрытия лотков по серии 3.006-2.
