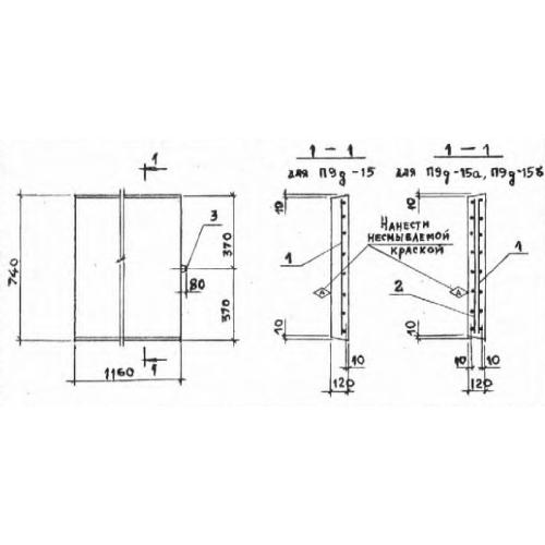
П 9д

Чертеж изделия:
Характеристики изделия:
ПараметрЗначение
длина740 мм
ширина1160 мм
высота120 мм
вес260 кг
серия3.006-2

П 9д Плиты перекрытия лотков доборные по серии 3.006-2.