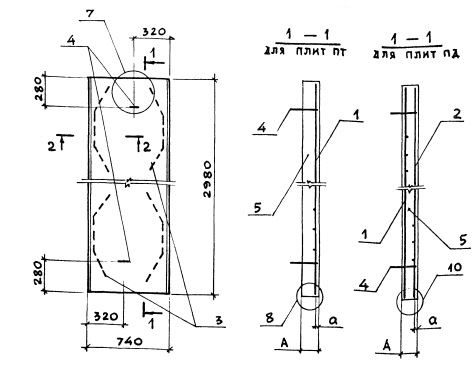
ПД 75.300.20 плиты днища

Чертеж изделия:
Характеристики изделия:
ПараметрЗначение
длина740 мм
ширина2980 мм
высота200 мм
масса1100 кг
нормативный документСерия 3.006.1-8

ПД 75.300.20  Плиты днища каналов Серия 3.006.1-8.