2БН9-2
Характеристики изделия:
| Параметр | Значение |
|---|---|
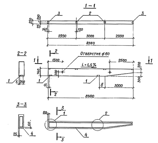
| Длина | 8980 мм |
| Ширина | 250 мм |
| Высота | 740 мм |
| Масса | 3500 кг |
| Нормативный документ | Серия 3.019.1-1 |
Цена:
Рассчитать стоимость2БН9-2 Балка навеса по Серии 3.019.1-1.
| Параметр | Значение |
|---|---|
| Длина | 8980 мм |
| Ширина | 250 мм |
| Высота | 740 мм |
| Масса | 3500 кг |
| Нормативный документ | Серия 3.019.1-1 |
2БН9-2 Балка навеса по Серии 3.019.1-1.
