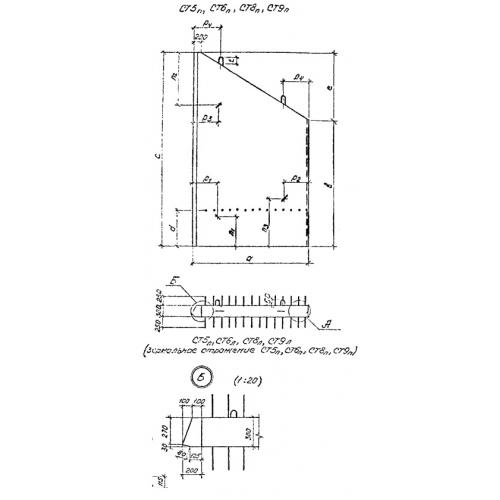
СТ 9 стенка
Характеристики изделия:
| Параметр | Значение |
|---|---|
| длина | 3000 мм |
| ширина | 5050 мм |
| высота | 300 мм |
| масса | 9300 кг |
| нормативный документ | Серия 3.501.1-179.94 |
Цена:
Рассчитать стоимостьСТ 9 Откосные стенки по Серии 3.501.1-179.94.
| Параметр | Значение |
|---|---|
| длина | 3000 мм |
| ширина | 5050 мм |
| высота | 300 мм |
| масса | 9300 кг |
| нормативный документ | Серия 3.501.1-179.94 |
СТ 9 Откосные стенки по Серии 3.501.1-179.94.
