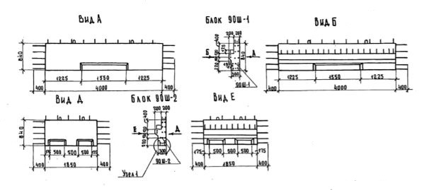
Ш-2

Чертеж изделия:
Характеристики изделия:
ПараметрЗначение
длина2650 мм
ширина400 мм
высота970 мм
масса1100 кг
нормативный документСерия 3.503-23

Ш-2 Блок шкафной стенки Серия 3.503-23.