СБО 3.1-1 к7-2
Характеристики изделия:
| Параметр | Значение |
|---|---|
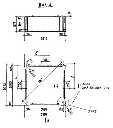
| Длина | 3210 мм |
| Ширина | 3210 мм |
| Высота | 1170 мм |
| Масса | 3700 кг |
| Нормативный документ | Серия 3.702.1-4 |
Цена:
Рассчитать стоимостьСБО 3.1-1 к7-2 Силосный блок объёмный по Серии 3.702.1-4.
| Параметр | Значение |
|---|---|
| Длина | 3210 мм |
| Ширина | 3210 мм |
| Высота | 1170 мм |
| Масса | 3700 кг |
| Нормативный документ | Серия 3.702.1-4 |
СБО 3.1-1 к7-2 Силосный блок объёмный по Серии 3.702.1-4.