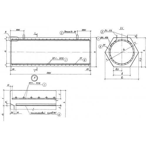
ТНП 60.50

Чертеж изделия:
Характеристики изделия:
ПараметрЗначение
длина5000 мм
ширина880 мм
высота760 мм
вес2730 кг
серия3.802.1-76

ТНП 60.50 Трубы напорные с полимерным покрытием по серии 3.802.1-76.