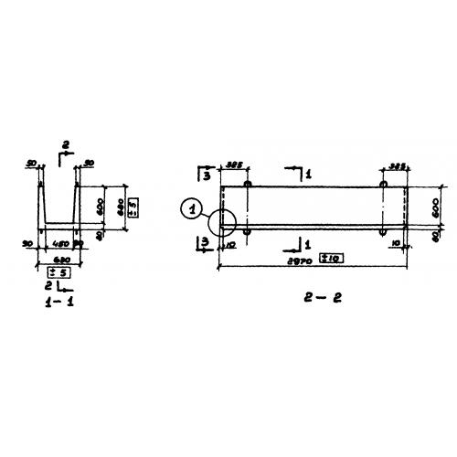
ЛП 5-30

Чертеж изделия:
Характеристики изделия:
ПараметрЗначение
длина2970 мм
ширина630 мм
высота680 мм
вес1000 кг
серия3.900-2

ЛП 5-30 Элементы прямоугольных лотков  по серии 3.900-2.