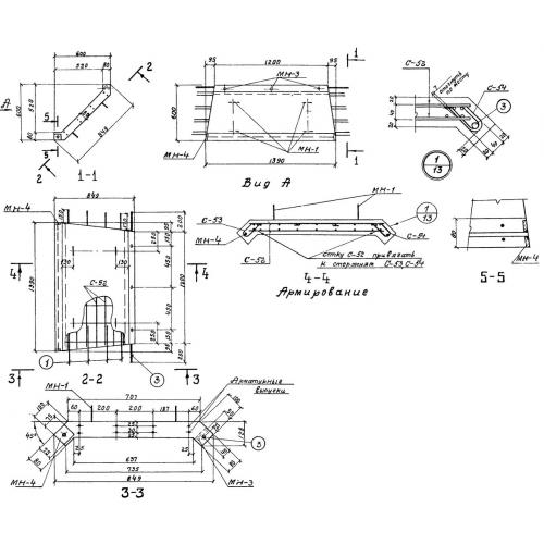
ЛТ 3-6 Лотки угловые для цилиндрических сооружений

Чертеж изделия:
Характеристики изделия:
ПараметрЗначение
длина1390 мм
ширина849 мм
высота128 мм
масса230 кг
нормативный документСерия 3.900.-3

ЛТ 3-6 Лотковые элементы по Серии 3.900.-3.