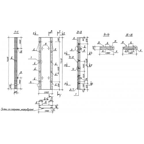
ПГ 72

Чертеж изделия:
Характеристики изделия:
ПараметрЗначение
длина1980 мм
ширина200 мм
высота7200 мм
вес6700 кг
серия3.902.1-12

ПГ 72 Панели перегородочные по серии 3.902.1-12.