ВБК-5.5
Характеристики изделия:
| Параметр | Значение |
|---|---|
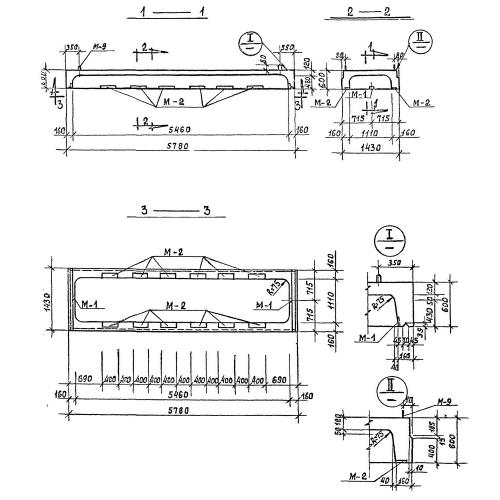
| длина | 5780 мм |
| ширина | 1430 мм |
| высота | 600 мм |
| масса | 5700 кг |
| нормативный документ | Серия 3.903 КЛ-13 |
Цена:
Рассчитать стоимостьВБК-5.5 Блоки камеры верхние по Серии 3.903 КЛ-13.
| Параметр | Значение |
|---|---|
| длина | 5780 мм |
| ширина | 1430 мм |
| высота | 600 мм |
| масса | 5700 кг |
| нормативный документ | Серия 3.903 КЛ-13 |
ВБК-5.5 Блоки камеры верхние по Серии 3.903 КЛ-13.
