КН-3

Чертеж изделия:
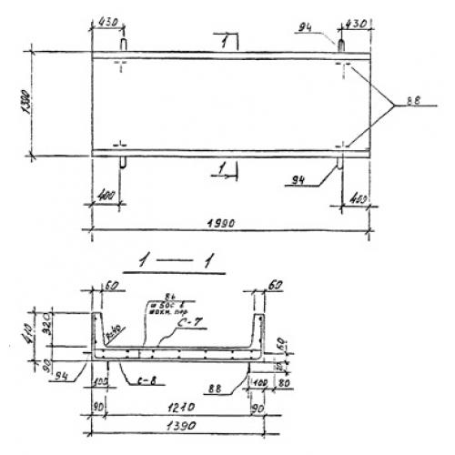
Характеристики изделия:
ПараметрЗначение
длина1990 мм
ширина1390 мм
высота410 мм
масса870 кг
нормативный документСерия 3.903 КЛ-14

КН-3  Каналы непроходные по Серии 3.903 КЛ-14.