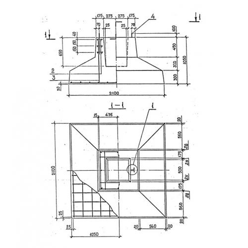
Ф 21 фундаменты для колонн

Чертеж изделия:
Характеристики изделия:
ПараметрЗначение
длина2100 мм
ширина2100 мм
высота1050 мм
масса5350 кг
нормативный документСерия ИИ 04-1

Ф 21 Фундаменты по Серии ИИ 04-1.