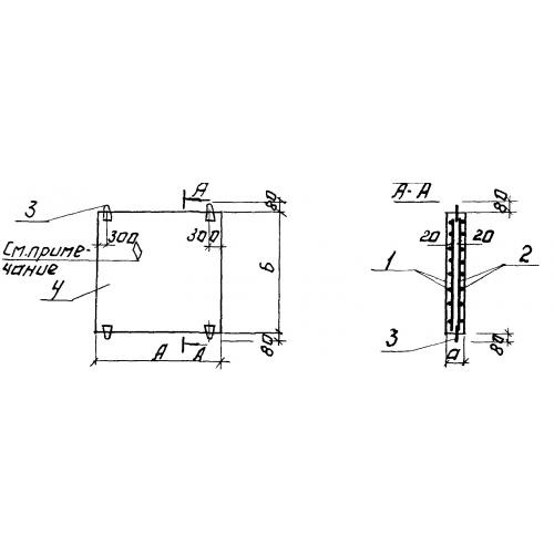
Д 25-25

Чертеж изделия:
Характеристики изделия:
ПараметрЗначение
длина3000 мм
ширина3000 мм
высота120 мм
масса2700 кг
нормативный документТП 901-09-11.84

Д 25-25 Плиты днища по Типовому проекту ТП 901-09-11.84.